| Sign In | Join Free | My xpandrally.com |
|
warranty : 1 year
customized support : OEM
Place of Origin : China
Flow Rate : 2.5m3/h
Measurement Range : DN15-50
type : Multi-jet meters
material : Stainless steel
Connectivity : Threaded
Protection Class : ip68
Product name : Small flow meter calibration bench smart water meter test bench
Keyword : water meter test bench
Caliber : DN15mm--DN50mm
Feature : High Performance
Application : Smart City
Temperature : Cold Water:0.1-50 /hot Water:0.1-90
Body material : SUS304 / SUS316 Stainless Steel
Type : Automation test
Color : as shown
Small diameter flow meter calibration bench smart water meter test bench dn15dn50

Design scheme of DN15 ~ DN25 water meter verification device
Project overview
In order to improve the meter inspection efficiency of users in the field of water meter production and measurement and reduce labor costs, Kaifeng Shengda has developed a weighing automatic water meter verification device for users.
Based on the manual detection platform, the device upgrades the high-speed camera detection system, automatic control components and control software, installs high-precision automatic valves and sensors, and upgrades the original manual equipment to full-automatic control, full-automatic detection and intelligent data processing and statistics.
The device is generally applicable to the verification of dn15-dn25 water meters in the field of cold water meter verification.
Brief introduction of automatic water meter calibration device
The device adopts full-automatic control, full-automatic detection and intelligent data processing and statistics. It has high meter checking efficiency, effectively solves the interference of water mist and bubbles, and has high verification accuracy. It has the following characteristics:
2.1. Compared with the traditional manual verification device, it has the advantages of simple operation, computer calculation error in the whole process and avoiding human factors;
2.2. Improve the efficiency of meter inspection. The original manual meter inspection device detects a batch of water meters for 30 ~ 40 minutes, and the upgraded automatic meter inspection device detects a batch of water meters for only 5 ~ 8 minutes.
2.3. Save energy, water, electricity and labor; Full automation, sharing network and saving auxiliary materials;
2.4. Data management function is strong: software can automatically complete the whole process of inspection and draw the conclusion of verification, and can save all the water meter verification data, with the perfect functions of verification, record, query, correction, statistics, printing, and so on. It can also realize the networking of multiple inspection devices, and realize the management of water meter data, query, the so-called Internet plus mode;
2.5. Novel structure: using aluminum alloy profile as the front-end collection support, the appearance is high-end and atmospheric, and the corporate image is improved;
2.6. Convenient operation: the high-speed camera of the front-end acquisition device adds the function of automatically identifying the plum blossom wheel. At the same time, the code of adjusting the plum blossom wheel is embedded in the high-speed camera, and the plum blossom wheel can be adjusted to move up, down, left and right through the buttons on the high-speed camera;
Standards and procedures for design
JJG259-2005 «Standard metal gauge»
JJG162-2019 «Verification regulation of cold water meter»
JJG1113-2015 «Verification regulation of water meter»
JJG1030-2007 «Verification regulation of ultrasonic flowmeter»
JJG1033-2007 «Verification regulation of electromagnetic flowmeter»
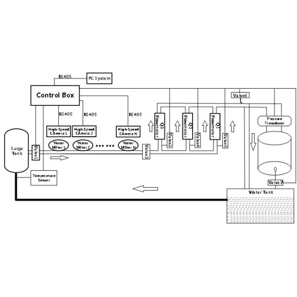
Overall system structure

Figure 1 Overall system structure
| DN (cm) | 15-25 |
| Specification of inspected table and quantity of single row(mm) | DN15*8pcs, DN20*7pcs, DN25*6pcs |
| Measuring method | Mass method |
| Minimum apparent value accuracy of electronic scale | 0.001/50kg |
| Flow regulation range (m³/h) | 0.01~7 |
| Voltage stabilizing device (L) | Volume: 0.3m3, material: stainless steel 304 |
| Water pump (Q×H×N) | Model: TD65-48 Flow: Q = 25m3 / h Lift: H = 48m Power: N = 2.2kw |
| Work pressure (MPa) | 0.0-0.6 |
| Operating temperature (℃) | Normal atmospheric temperature |
| Working medium | Tap water |
Kind notice:
The price and lead time is for reference only, more details please contact us.
|
|
Small Diameter Flow Meter Calibration Bench Smart Water Meter test Bench Dn15dn50 Images |